Přeskočit na navigaci
Přejít k obsahu webu
ND GAZ 69
Náhradní díly na GAZ 69
Hledat:
Hledat
Menu
Úvod
Obchod
Můj účet
Pokladna
Košík
Úvodní stránka
Můj účet
Obchod
Košík
Pokladna
Možnosti doručení
Obchodní podmínky
Prodávající – kontaktní informace
Způsoby úhrady
O nás
0,00
Kč
0 položek
Úvod
/
Motor - spojka - převodovky
/
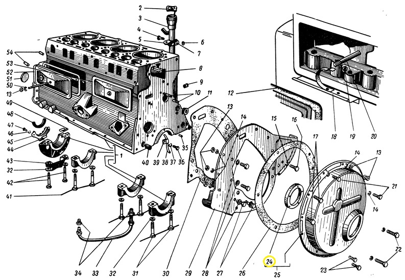
Těsnící kroužek klikového hřídele – gufero
Těsnící kroužek klikového hřídele – gufero
190,00
Kč
Těsnící kroužek klikového hřídele - gufero množství
Přidat do košíku
Kategorie:
Gumové části - těsnění - silentbloky
,
Motor - spojka - převodovky
Popis
Popis
Analog. Nové.
Související produkty
Hadička mazání vysouvacího ložiska spojky – ORIGINÁL !
350,00
Kč
Přidat do košíku
Závěrný kohout chladiče oleje – ORIGINÁL !
450,00
Kč
Přidat do košíku
Pouzdro držáku hřídele pro ovládání plynu – ORIGINÁL !
150,00
Kč
Přidat do košíku
Těsnění zadního čela
Těsnící kroužek redukční převodovky - gufero
Kategorie
Karosérie
Části kabiny
Podvozek
Motor – spojka – převodovky
Elektrické části
Brzdový systém
Gumové části – těsnění – silentbloky
Výfukový systém
Výbava – nářadí – doplňky
Spojovací materiál
Systém chlazení – topení
Systém paliva
Opravy SV motorů Gaz 69
Prohlížíte:
Těsnící kroužek klikového hřídele – gufero
190,00
Kč
Přidat do košíku